陈叨叨·幻色

  • 首页
  • 激情海钓
  • 叨摄型影
  • 叨舍闲居
  • 叨说天下
  • 学无止境
  • 程序开发
  • 电脑数码
  • 灵光乍现
电脑数码
科技电子资讯及资料
电脑数码

群晖NAS安装HomeAssistant配置外网访问要点

一、在Docer中下载安装“HomeAssistant” 添加映射文件夹“/config” 添加环境变量“TZ=Asia/Shanghai” 桥接网络下端口映射8123 二、配置群晖反代 打开“控制面板-登陆门户-高级-反向代理服务器” 常规-端口:8123 自定义头-新增-WebSocket 此时使用设置的反代域名访问,会提示400错误。 查看Docker日志,会显示拒绝来自某个IP的连接,记住这个IP。 三、修改HA配置允许反向代理 找到“/config/configuration.yaml”文件,添加以下内容…

2025-06-20 0条评论 1759点热度 2人点赞 陈叨叨 阅读全文
学无止境

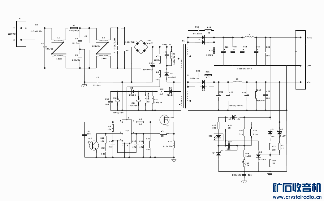
记两个开关电源的维修

第一个,3842方案,上电哒哒不停复位那种声音,测量输出电压比标准低,标准12V实际5V左右。定位故障为续流电阻坏了,按照原来阻值换新即可,我顺手把旁边串联的二极管也换了。 具体什么事续流二极管,我也不懂,顺着IC的7脚找就行了,具体就是上图中的R12。 第二个,TL494方案,上电没任何反应,更换三极管C1815即可。正常情况下板子上只有一个C1815,1/3脚之间有个二极管。

2020-01-01 0条评论 4573点热度 0人点赞 陈叨叨 阅读全文
叨舍闲居

全新AVR芯片ATMEGA328P烧录程序的教程

该文章为本人发布在其他论坛上的帖子,在这里留个备份:https://www.arduino.cn/forum.php?mod=viewthread&tid=93600 潜水多年,觉得有义务贡献一些内容,此贴作为最近学习Arduino的一个总结。 玩Arduino有几年了,断断续续的。最近开发一个项目,因为我本身不是电子专业,只是对UNO有些经验,所以先用各种模块搭建的系统进行了测试。 测试通过后,开始设计PCB打样,一开始使用的是和UNO一样的芯片进行设计,结果在打样的时候出了问题。 这是我第一次PCB打样…

2019-12-23 0条评论 6950点热度 3人点赞 陈叨叨 阅读全文
电脑数码

使用树莓派搭建私有云一例

转自网络,尚未测试。 大家都知道,这两年云盘被封的封,被查的查,几乎没剩几个了。。 而且还隔三差五的爆出各种云盘泄露隐私的新闻。 泄露隐私就算了,反正我也不会把隐私信息传到云盘,没什么可以泄露的。。 很多时候资料存在云盘,一不小心就变成了 8 秒教育篇。。。

2017-10-05 0条评论 5986点热度 0人点赞 陈叨叨 阅读全文
电脑数码

Google揭秘SSD可靠性

Google工程师Raghav Lagisetty、Arif Merchant和加拿大多伦多大学教授Bianca Schroeder联合发表了一篇论文《闪存的实际可靠性:意料之中与意料之外》(Flash Reliability in Production: The Expected and the Unexpected),得出了一些惊人的结论。 这项研究历时长达6年,覆盖了十多种SSD的品牌,企业级和消费级产品都有,SLC、MLC、TLC三种闪存类型都有,加起来一共跑了几百万天。

2017-10-04 0条评论 4255点热度 0人点赞 陈叨叨 阅读全文
电脑数码

寸照(证件照)在线排版

该功能引用自:http://www.sandcomp.com/blog/sandphoto/

2017-07-16 0条评论 4447点热度 0人点赞 陈叨叨 阅读全文
电脑数码

酷比魔方iwork8的一些资料

备注:以下内容基于2016年底的I1-TC硬件版本。 一、如何进入BIOS 按住“音量+”开机,或者开机在出现LOGO后出现命令行前按“音量+”键。 二、如何缩小安卓空间,增大Windows空间? 按照官方步骤刷机,刷安卓前修改gpt.bin文件,0x00036d位置,“20”改为你想要的值。计算方法:(?G*4+2)换16进制,例如16=5G,1A=6G,20=7.5G。实际分配空间会比设置的值略大一点。

2017-02-26 1条评论 6150点热度 0人点赞 陈叨叨 阅读全文
学无止境

Godaddy域名转出攻略

最近打算把Godaddy的域名转到Dnspod,主要因为Dnspod的渠道是新网价格略微便宜一些。在转出时遇到一些问题,参考以下解决办法。 1.解锁域名。

2017-01-29 0条评论 4542点热度 0人点赞 陈叨叨 阅读全文
电脑数码

中兴F460光猫破解超级密码修改自动拨号

一、破解超级密码 百度搜索到的破解超级密码方法已经失效,这里写的是最新的方法。 Telnet 192.168.1.1 帐号root,密码Zte521,登陆后执行: sendcmd 1 DB p DevAuthInfo 查看返回内容的User和Pass字段。 二、获取宽带账号密码

2016-12-14 0条评论 6232点热度 2人点赞 陈叨叨 阅读全文
电脑数码

树莓派3B上手入门

1. 系统的选择 官方提供两个系统,NOOBS和RASPBIAN,两个系统底层是一样的。NOOBS相对RASPBIAN增加了安装引导界面,并默认安装了很多软件,比如apache、PHP等,而且自动启动。NOOBS对于新手比较完善方便使用,但另一方面就是硬件资源消耗过大。所以对于仅想搭建一个轻服务器的我来说,还是RASPBIAN版最合适。RASPBIAN LITE版是精简版,精简了很多必要工具,所以不建议新手使用。 官方系统下载地址:https://www.raspberrypi.org/downloads/

2016-07-10 0条评论 5417点热度 0人点赞 陈叨叨 阅读全文
12345…9

陈叨叨

这个人很懒,什么都没留下

分类
  • 叨摄型影
  • 叨舍闲居
  • 叨说天下
  • 学无止境
  • 激情海钓
  • 灵光乍现
  • 电脑数码
  • 程序开发
  • 默认分类

COPYRIGHT © 2010-2022 C-DD.CN 陈叨叨 ALL RIGHTS RESERVED.

THEME KRATOS MADE BY VTROIS

辽ICP备16013045号